• KOMPETENS
  • SUPPORT
  • SERVICE
Skapa ny lista
Lägg till i inköpslista
  • Mina favoriter
  • {{ list.name }}

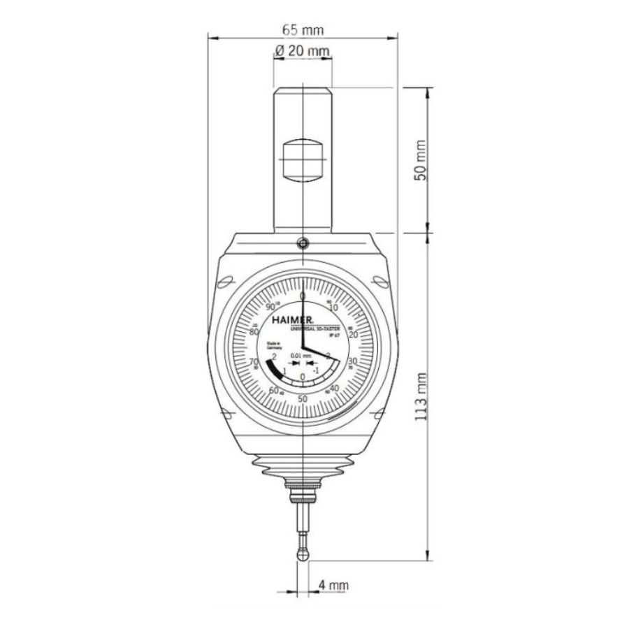
HAIMER

Universal 3D-Sensor Weldon Ø20

Artikelnr: 614.80.360.00.FHN.L

Analog 3D-avkännare från Haimer Weldon Ø20 skaft